关于景华
产品中心
微型扬声器
平板电脑扬声器
机器人扬声器
投影仪扬声器
厂区概况
新闻中心
联系我们
JHIC景华实业有限公司
关于景华
网站地图
7×24H/客服热线
0755-84824848
HOME
E-MAIL
关于景华
产品中心
微型扬声器
平板电脑扬声器
机器人扬声器
投影仪扬声器
厂区概况
新闻中心
联系我们
热搜关键词:
微型扬声器
平板电脑扬声器
机器人扬声器
智能电器扬声器
腔体喇叭
产品中心
新品推荐
微型扬声器
平板电脑扬声器
机器人扬声器
智能电器扬声器
投影仪扬声器
IPX8耳机扬声器
显示屏触控屏扬声器
无人机扬声器
贴片咪头
MIC数字麦克风
腔体喇叭
联系我们
联系我们:
电话+86 (0)755-84824848
电话+86 (0)755-84865881
邮箱:
hkjhd8@163.com
邮箱:
xgjh168@126.com
QQ:3032325131
QQ:2682104278
联系人:何先生 13528447888
腔体喇叭
主页
>
产品中心
>
腔体喇叭
>
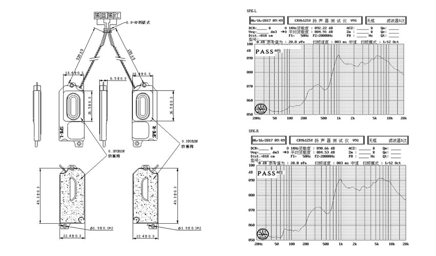
JHIC2517NH008001-R0615N
L 25*17*7.5Hmm
线圈阻抗(Ω)
:
8±15%Ω
最低共振周波数(Hz)
:
820±20%Hz
额定功率(W)
:
1.0W
最大功率(W)
:
2.0W
灵敏度(SPL)(dB)
:
88±3dB
实效频宽(Hz)
:
Fo~20kHz
测试条件
:
1.0W/0.5M
订购热线:0755-84824848
PDF下载
在线咨询
产品介绍
智能电器带腔体专用喇叭
关于景华
产品中心
微型扬声器
平板电脑扬声器
机器人扬声器
投影仪扬声器
厂区概况
新闻中心
网站地图
Copyright © 景华实业有限公司 版权所有
TEL:0755-84824848
地址:香港湾仔告士打道151号资本中心11楼 E-mail:hkjhd8@163.com